Your Ge adora refrigerator ice maker parts images are available in this site. Ge adora refrigerator ice maker parts are a topic that is being searched for and liked by netizens today. You can Find and Download the Ge adora refrigerator ice maker parts files here. Find and Download all free photos.
If you’re searching for ge adora refrigerator ice maker parts pictures information related to the ge adora refrigerator ice maker parts keyword, you have come to the right blog. Our website always gives you hints for refferencing the maximum quality video and picture content, please kindly search and locate more informative video content and images that match your interests.
Ge Adora Refrigerator Ice Maker Parts. Parts for GE DTL18ICSWRBS Refrigerator - Most Popular Parts. Noisy Freezer section too warm Fridge too warm Ice maker not making ice Door wont open or close Wont start Freezer not defrosting Ice maker wont dispense ice Light not working Ice maker dispenses too little ice Leaking Not dispensing water. Save to my models. Excludes next day and second day shipping.
Amazon Com Ge Refrigerator Ice Maker Parts From amazon.com
Offer valid 71921 83121. 07-Fresh Food Shelves Pa. Noisy Freezer section too warm Fridge too warm Ice maker not making ice Door wont open or close Wont start Freezer not defrosting Ice maker wont dispense ice Light not working Ice maker dispenses too little ice Leaking Not dispensing water. Cooling System Icemaking System Dispensing System. 6 Month Timer for Refrigerator Filters. Limit one coupon per order.
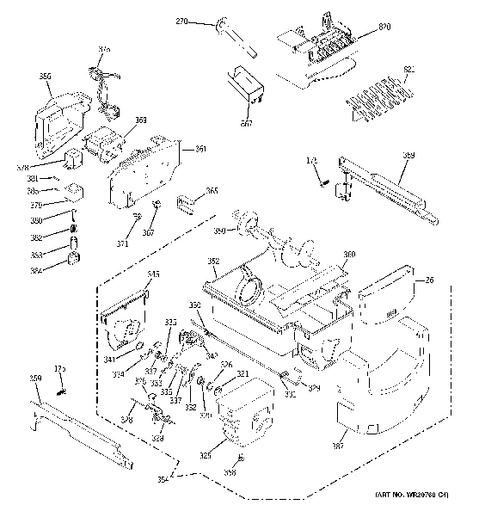
GE Refrigerator Model DFE29JSDASS Parts are easily labeled on this page to help you find the correct component for your repair.
Your closest shipping location is undefined. Filter Refine Results. PM10X311 820 Appliance Brush Set - RefHVACDryer. MWF-TIMER6 650 GE MWF REFRIGERATOR. I did a websearch for repair and replacement parts for our GE refrigerator. Common symptoms and solutions.
Source: youtube.com
6 Month Timer for Refrigerator Filters. Call 1-877-959-8688 MonFri 8am8pm Sat 830am5pm ET Adora series by GE 259 Cu. If the icemaker is not working make sure the freezer temperature is around zero degrees Fahrenheit. Filter Refine Results. Excludes next day and second day shipping.
Source: youtube.com
6 Month Timer for Refrigerator Filters. Call 1-877-959-8688 MonFri 8am8pm Sat 830am5pm ET Adora series by GE ENERGY STAR 253 Cu. Popular Accessories ICEMAKER FILTER. You can also view diagrams and manuals review common problems that may help answer your questions watch related videos read insightful articles or use our repair help guide to. GE Refrigerator Model DFE29JSDASS Parts.
Source: youtube.com
Call 1-877-959-8688 MonFri 8am8pm Sat 830am5pm ET Adora series by GE 277 Cu. GE Refrigerator Ice Bucket Assembly. Popular Accessories ICEMAKER FILTER. Noisy Freezer section too warm Fridge too warm Ice maker not making ice Door wont open or close Wont start Freezer not defrosting Ice maker wont dispense ice Light not working Ice maker dispenses too little ice Leaking Not dispensing water. GE Refrigerator Model DFE29JSDASS Parts.
Source: geapplianceparts.com
05-Ice Maker Dispenser. Call 1-877-959-8688 MonFri 8am8pm Sat 830am5pm ET Adora series by GE 277 Cu. MWF-TIMER6 650 GE MWF REFRIGERATOR. Call 1-877-959-8688 MonFri 8am8pm Sat 830am5pm ET Adora series by GE ENERGY STAR 253 Cu. Offer valid 71921 83121.
Source: geappliances.com
PM10X311 820 Appliance Brush Set - RefHVACDryer. Do not clean glass shelves or covers with warm water when they are cold. Save 15 FREE shipping on Refrigerator Household. 07-Fresh Food Shelves Pa. Common symptoms and solutions.
Source: geapplianceparts.com
Filter results by category title and symptom. MWF-TIMER6 650 GE MWF REFRIGERATOR. 07-Fresh Food Shelves Pa. Save to my models. Call 1-877-959-8688 MonFri 8am8pm Sat 830am5pm ET Adora series by GE ENERGY STAR 253 Cu.
Source: geapplianceparts.com
PM14X10056 820 GE RPWFE REFRIGERATOR. Popular Accessories ICEMAKER FILTER. PM14X10056 820 GE RPWFE REFRIGERATOR. Over 50 In Stock. Your closest shipping location is undefined.
Source: youtube.com
Parts for GE DFSS9VKBASS Refrigerator - Most Popular Parts. 05-Ice Maker Dispenser. GE Refrigerator Model DSE25JSHECSS Parts. Popular Accessories GE MWF REFRIGERATOR WATER FILTER. 07-Fresh Food Shelves Pa.
Source: youtube.com
6 Month Timer for Refrigerator Filters. Call 1-877-959-8688 MonFri 8am8pm Sat 830am5pm ET Adora series by GE 277 Cu. I did a websearch for repair and replacement parts for our GE refrigerator. Popular Accessories ICEMAKER FILTER. Filter Refine Results.
Source: homedepot.ca
6 Month Timer for Refrigerator Filters. Fastener Shelf Shelf Support Ice Maker Hinge Drawer. Popular Accessories ICEMAKER FILTER. PM14X10056 820 GE RPWFE REFRIGERATOR. Enjoy FREE standard shipping on all parts and accessories from the GE Appliances Parts and Accessories Store.
Source: searspartsdirect.com
If the icemaker is not working make sure the freezer temperature is around zero degrees Fahrenheit. In refrigerators with automatic ice makers avoid contact with the moving parts of the ejector mechanism or with the heating element that releases the cubes. Get Parts and Repair Help for DSE25JSHECSS General Electric Refrigerator - REFRIGERATOR. GE Refrigerator Model DSE25JSHECSS Parts. GE GE Smartwater Mwfp Refrigerator Water Filter View Repair Video Ice would not dispense Steven A.
Source: amazon.com
Call 1-877-959-8688 MonFri 8am8pm Sat 830am5pm ET Adora series by GE ENERGY STAR 253 Cu. Enjoy FREE standard shipping on all parts and accessories from the GE Appliances Parts and Accessories Store. Call 1-877-959-8688 MonFri 8am8pm Sat 830am5pm ET Adora series by GE ENERGY STAR 291 Cu. Call 1-877-959-8688 MonFri 8am8pm Sat 830am5pm ET Adora series by GE 277 Cu. Filter Refine Results.
Source: edhart.me
GE GE Smartwater Mwfp Refrigerator Water Filter View Repair Video Ice would not dispense Steven A. 06-Fresh Food Section Pa. MWF-TIMER6 650 GE MWF REFRIGERATOR. 6 Month Timer for Refrigerator Filters. Filter results by category title and symptom.
Source: geapplianceparts.com
Do not place fingers or hands on the automatic ice making mechanism while the refrigerator is plugged in. Popular Accessories GE MWF REFRIGERATOR WATER FILTER. GE Refrigerator Model DFE29JSDASS Parts. Offer valid 71921 83121. GE GE Smartwater Mwfp Refrigerator Water Filter View Repair Video Ice would not dispense Steven A.
Source: geapplianceparts.com
Popular Accessories ICEMAKER FILTER. Refrigerator icemaker kit The kit includes the fill cup 4 pin wire harness adapter and tube. GE Refrigerator Model DSE25JSHECSS Parts. GE Part WR30X30097 Ice Maker Assembly OEM 8989. GE Refrigerator Model DFE29JSDASS Parts are easily labeled on this page to help you find the correct component for your repair.
Source: geapplianceparts.com
Filter results by category title and symptom. In refrigerators with automatic ice makers avoid contact with the moving parts of the ejector mechanism or with the heating element that releases the cubes. 6 Month Timer for Refrigerator Filters. MWFP 4999 GE MWF REFRIGERATOR WATER FILTER 3-PACK. 05-Ice Maker Dispenser.
Source: geappliances.com
Shop Parts Diagrams Manuals Common Problems Related Videos. Call 1-877-959-8688 MonFri 8am8pm Sat 830am5pm ET Adora series by GE ENERGY STAR 291 Cu. MWF-TIMER6 650 GE MWF REFRIGERATOR. Fastener Shelf Shelf Support Ice Maker Hinge Drawer. 06-Fresh Food Section Pa.
Source: geapplianceparts.com
GE Refrigerator Ice Bucket Assembly. GE Part WR30X30097 Ice Maker Assembly OEM 8989. GE Refrigerator Ice Bucket Assembly. Excludes next day and second day shipping. Cooling System Icemaking System Dispensing System.
This site is an open community for users to do submittion their favorite wallpapers on the internet, all images or pictures in this website are for personal wallpaper use only, it is stricly prohibited to use this wallpaper for commercial purposes, if you are the author and find this image is shared without your permission, please kindly raise a DMCA report to Us.
If you find this site good, please support us by sharing this posts to your own social media accounts like Facebook, Instagram and so on or you can also bookmark this blog page with the title ge adora refrigerator ice maker parts by using Ctrl + D for devices a laptop with a Windows operating system or Command + D for laptops with an Apple operating system. If you use a smartphone, you can also use the drawer menu of the browser you are using. Whether it’s a Windows, Mac, iOS or Android operating system, you will still be able to bookmark this website.




